
Rajah 1. Gambaran Keseluruhan Penukar Kuasa Terpencil vs Tidak Terpencil
Penukar kuasa terpencil ialah sejenis litar penukaran kuasa yang memindahkan tenaga antara input dan output tanpa sambungan elektrik langsung.Tujuan utamanya adalah untuk menyediakan keselamatan elektrik dan pengasingan bunyi dengan mengasingkan alasan input dan output.Pemisahan ini dicapai melalui pengasingan galvanik, yang menghalang arus daripada mengalir terus di antara kedua-dua belah pihak.Daripada laluan konduktif, tenaga dipindahkan melalui medium perantaraan, biasanya menggunakan gandingan magnet atau optik.Reka bentuk ini membantu melindungi komponen sensitif daripada pancang voltan atau kerosakan pada bahagian input.Penukar kuasa terpencil ditakrifkan oleh keupayaan mereka untuk mengekalkan kebebasan elektrik antara input dan output sambil masih menyampaikan kuasa terkawal.
Penukar kuasa tidak terpencil ialah litar penukaran kuasa di mana input dan output berkongsi sambungan elektrik terus.Tujuan utamanya adalah untuk mengawal tahap voltan dengan cekap dalam sistem yang tidak memerlukan pemisahan elektrik.Dalam reka bentuk ini, kedua-dua pihak biasanya berkongsi asas yang sama, membenarkan arus mengalir terus antara input dan output.Rujukan bersama ini memudahkan struktur litar dan mengurangkan kiraan komponen.Oleh kerana tiada pengasingan galvanik, input dan output disambungkan secara elektrik pada setiap masa.Oleh itu, penukar kuasa tidak terpencil ditakrifkan oleh laluan konduktif berterusan dan pembumian sepunya antara sumber dan beban.

Rajah 2. Rajah Pengasingan Transformer
Penukar terpencil beroperasi dengan memindahkan tenaga melalui gandingan magnet dan bukannya pengaliran elektrik terus.Peranti pensuisan menghidupkan dan mematikan voltan input dengan pantas, mewujudkan arus yang berubah-ubah masa dalam belitan utama pengubah.Arus yang berubah ini menjana medan magnet dalam teras pengubah, yang menghubungkan kepada belitan sekunder.Medan magnet mendorong voltan di bahagian kedua, membolehkan pemindahan tenaga merentasi halangan pengasingan.Kerana tiada laluan konduktif antara belitan, pemisahan elektrik dikekalkan sepanjang proses.Bahagian keluaran kemudian menukar isyarat teraruh kepada voltan DC yang boleh digunakan menggunakan peringkat pembetulan dan penapisan asas.Kaedah ini memastikan pemindahan tenaga terkawal sambil mengekalkan pengasingan galvanik antara input dan output.

Rajah 3. Litar Pensuisan Tidak Terpencil
Penukar tidak terpencil mengawal voltan melalui tindakan pensuisan dalam laluan elektrik berterusan.Suis semikonduktor dihidupkan dan dimatikan dengan pantas untuk mengawal cara tenaga mengalir dari input ke output.Semasa pensuisan, induktor menyimpan sementara tenaga dalam medan magnetnya dan kemudian melepaskannya ke beban.Kapasitor digunakan untuk melicinkan keluaran dan mengekalkan tahap voltan yang stabil.Kerana input dan output berkongsi titik persamaan, pemindahan tenaga berlaku secara langsung melalui komponen litar.Proses pensuisan melaraskan kitaran tugas untuk mengawal voltan keluaran mengikut keperluan sistem.Pendekatan ini membolehkan penukaran voltan yang cekap tanpa memerlukan komponen pengasingan.
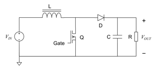
1. Penukar Flyback

Rajah 4. Gambarajah Litar Penukar Flyback
Penukar flyback ialah penukar kuasa terpencil ringkas yang menyimpan tenaga dalam pengubah dan menghantarnya ke output.Ia menggunakan pengubah dengan belitan primer dan sekunder, di mana bahagian utama dikawal oleh peranti pensuisan.Apabila suis beroperasi, tenaga mula-mula disimpan dalam pengubah dan kemudian dipindahkan ke bahagian kedua.Litar sekunder termasuk diod dan kapasitor untuk menukar dan melicinkan voltan keluaran.Struktur ini membenarkan penukaran voltan dan pengasingan dalam reka bentuk yang padat.Litar yang ditunjukkan menyerlahkan susunan asas gandingan transformer, kawalan pensuisan, dan pembetulan output.Penukar flyback diiktiraf secara meluas kerana kesederhanaan dan kesesuaiannya dalam aplikasi kuasa rendah hingga sederhana.
2. Penukar Hadapan

Rajah 5. Rajah Litar Penukar Hadapan
Penukar hadapan ialah penukar kuasa terpencil yang memindahkan tenaga secara langsung daripada input ke output semasa tempoh pensuisan.Ia menggunakan pengubah di mana tenaga mengalir ke bahagian kedua semasa suis aktif.Litar ini termasuk suis terkawal pada bahagian utama dan penerus dengan komponen penapisan pada bahagian kedua.Tidak seperti reka bentuk berasaskan storan tenaga, pengubah menyalurkan kuasa secara berterusan semasa selang pengaliran.Rajah menggambarkan laluan jelas pemindahan tenaga melalui pengubah ke peringkat keluaran.Struktur ini menyokong penukaran voltan yang stabil sambil mengekalkan pengasingan elektrik.Penukar hadapan biasanya digunakan di mana kecekapan yang dipertingkatkan dan penghantaran kuasa terkawal diperlukan.
3. Penukar Tekan-Tarik

Rajah 6. Rajah Litar Penukar Tolak Tarik
Penukar tolak-tarik ialah penukar kuasa terpencil yang menggunakan dua peranti pensuisan untuk memacu pengubah secara berselang-seli.Ia mempunyai belitan utama pengubah yang ditoreh tengah, membenarkan arus mengalir ke arah yang bertentangan semasa setiap kitaran pensuisan.Setiap suis beroperasi secara bergilir-gilir, memberi tenaga kepada separuh daripada pengubah pada satu masa.Tindakan berselang-seli ini meningkatkan penggunaan transformer dan menyokong pemindahan tenaga yang cekap.Bahagian kedua termasuk pembetulan dan penapisan untuk menghasilkan voltan keluaran yang stabil.Rajah menggambarkan susunan simetri suis dan belitan pengubah.Penukar tolak-tarik biasanya digunakan dalam aplikasi kuasa sederhana yang memerlukan operasi seimbang.
4. Penukar Separuh Jambatan

Rajah 7. Rajah Litar Penukar Separuh Jambatan
Penukar separuh jambatan ialah penukar kuasa terpencil yang menggunakan dua suis untuk memacu pengubah daripada voltan masukan berpecah.Litar membahagikan bekalan input kepada dua bahagian menggunakan kapasitor, menyediakan rujukan titik tengah.Suis beroperasi secara berselang-seli untuk menggunakan voltan merentasi belitan primer pengubah.Konfigurasi ini membolehkan pemindahan tenaga terkawal sambil mengurangkan tegasan voltan pada setiap suis.Transformer kemudiannya menghantar tenaga ke bahagian sekunder, di mana ia diperbetulkan dan ditapis.Rajah menunjukkan susunan seimbang dua suis dan antara muka pengubah.Penukar separuh jambatan biasanya digunakan dalam sistem kuasa sederhana hingga tinggi dengan kawalan pensuisan yang cekap.
5. Penukar Jambatan Penuh

Rajah 8. Rajah Litar Penukar Jambatan Penuh
Penukar jambatan penuh ialah penukar kuasa terpencil yang menggunakan empat peranti pensuisan untuk memacu pengubah.Suis disusun dalam konfigurasi jambatan-H, membenarkan penggunaan penuh voltan masukan.Dengan menyelang-seli pasangan pensuisan, litar menggunakan voltan dua arah merentasi primer pengubah.Ini membolehkan pemindahan tenaga yang cekap dan menyokong operasi berkuasa tinggi.Bahagian kedua termasuk pembetulan dan penapisan untuk menghasilkan output DC yang stabil.Rajah menggambarkan susunan empat suis yang disambungkan kepada pengubah dan peringkat keluaran.Penukar jambatan penuh digunakan secara meluas dalam aplikasi berkuasa tinggi yang memerlukan penukaran tenaga yang mantap dan cekap.
1. Buck Converter (Step-Down)

Rajah 9. Rajah Litar Penukar Buck
Penukar buck ialah penukar DC-DC tidak terpencil yang mengurangkan voltan masukan yang lebih tinggi kepada voltan keluaran yang lebih rendah.Ia menggunakan peranti pensuisan untuk mengawal jumlah tenaga yang dihantar dari sumber ke beban, manakala induktor membantu melancarkan aliran arus.Diod menyediakan laluan semasa apabila suis dimatikan, dan kapasitor membantu mengekalkan voltan keluaran yang stabil.Struktur asas ini menjadikan penukar buck salah satu jenis penukar kuasa langkah-turun yang paling biasa dalam sistem elektronik.Susunan litar biasanya termasuk suis, diod, induktor, dan kapasitor yang disambungkan dalam susun atur padat tidak terpencil.Oleh kerana topologi mudah ini, penukar buck digunakan secara meluas di mana-mana pengurangan voltan yang cekap diperlukan.Dalam elektronik kuasa, penukar buck dinilai sebagai penyelesaian praktikal untuk keluaran voltan rendah terkawal daripada bekalan DC yang lebih tinggi.
2. Boost Converter (Langkah Naik)

Rajah 10. Rajah Litar Penukar Boost
Penukar rangsangan ialah penukar DC-DC tidak terpencil yang meningkatkan voltan masukan yang lebih rendah kepada voltan keluaran yang lebih tinggi.Ia berfungsi dengan menyimpan tenaga dalam induktor dan kemudian melepaskan tenaga itu untuk menaikkan voltan keluaran melebihi paras input.Litar biasanya termasuk induktor, suis, diod, dan kapasitor, membentuk struktur penukar langkah naik standard.Apabila tenaga bergerak melalui laluan pengecasan dan nyahcas induktor, output dibina dan distabilkan untuk beban.Ini menjadikan penukar rangsangan pilihan yang digunakan secara meluas dalam reka bentuk bekalan kuasa apabila voltan DC yang lebih tinggi diperlukan daripada sumber yang lebih rendah.Konfigurasinya yang tidak terpencil memastikan litar padat dan berterusan secara elektrik dari input ke output.Bagi kebanyakan sistem elektronik, penukar rangsangan menyediakan cara yang mudah untuk mencapai peningkatan voltan yang cekap tanpa komponen pengasingan.
3. Penukar Buck-Boost (Langkah Naik/Turun)

Rajah 11. Rajah Litar Penukar Buck-Boost
Penukar buck-boost ialah penukar DC-DC tidak terpencil yang sama ada boleh menurunkan atau meningkatkan voltan keluaran bergantung pada keperluan litar.Ia menggabungkan tindakan pensuisan dengan pemindahan tenaga berasaskan induktor untuk menyediakan peraturan voltan yang fleksibel daripada satu topologi.Penukar ini berguna apabila voltan masukan mungkin melebihi atau di bawah paras keluaran yang diperlukan semasa operasi.Struktur litarnya termasuk suis, diod, induktor, dan kapasitor yang disusun untuk menyokong penukaran langkah ke bawah dan ke atas.Dalam sesetengah konfigurasi, kekutuban keluaran boleh diterbalikkan, manakala pada yang lain litar direka untuk keluaran bukan terbalik yang dikawal.Topologi yang ditunjukkan oleh litar jenis ini menyerlahkan keupayaannya untuk menyesuaikan tahap voltan tanpa menggunakan pengubah.Oleh kerana fleksibiliti ini, penukar buck-boost ialah jenis penukar tidak terpencil yang penting dalam elektronik kuasa moden.
• Menyediakan pengasingan elektrik antara input dan output.
• Meningkatkan keselamatan pengguna dan peralatan.
• Membantu mengurangkan pemindahan hingar antara sisi litar.
• Menyokong penukaran voltan tinggi dengan lebih selamat.
• Membenarkan rujukan tanah yang berbeza pada setiap sisi.
• Menawarkan fleksibiliti reka bentuk yang kuat dalam sistem kuasa.
• Berguna untuk reka bentuk bekalan kuasa berbilang output.
• Membantu melindungi litar hiliran yang sensitif.
• Memberikan kecekapan penukaran yang tinggi dalam banyak reka bentuk.
• Menggunakan lebih sedikit komponen dan susun atur yang lebih ringkas.
• Mengurangkan saiz dan berat litar keseluruhan.
• Mengurangkan kos pembuatan dan reka bentuk.
• Menyokong integrasi bekalan kuasa padat.
• Bertindak balas dengan baik dalam sistem DC voltan rendah.
• Memudahkan reka bentuk pembumian dan peringkat papan.
• Sesuai dengan peranti elektronik terhad ruang dengan mudah.
1. Sistem Kawalan Perindustrian
Penukar kuasa terpencil digunakan secara meluas dalam sistem kawalan industri seperti PLC, pemacu motor dan peralatan automasi kilang.Sistem ini selalunya mengendalikan domain voltan yang berbeza, jadi pemisahan elektrik diperlukan antara bahagian kawalan dan kuasa.Penukar tidak terpencil juga digunakan di dalam sublitar voltan rendah di mana peraturan langsung adalah mencukupi.Kepentingan mereka dalam peralatan perindustrian terletak pada penyampaian kuasa yang stabil kepada komponen pemantauan, logik dan pemacu.
2. Peralatan Telekomunikasi
Sistem telekomunikasi menggunakan kedua-dua penukar terpencil dan tidak terpencil dalam penghala, stesen pangkalan, suis dan modul komunikasi.Penukar terpencil biasanya digunakan dalam bahagian yang memerlukan pengasingan keselamatan dan kawalan hingar antara peringkat kuasa.Penukar tidak terpencil selalunya diletakkan berhampiran pemproses dan cip komunikasi untuk peraturan voltan tempatan.Penukar ini penting kerana penghantaran kuasa yang boleh dipercayai secara langsung mempengaruhi pemprosesan isyarat dan masa operasi rangkaian.
3. Elektronik Pengguna
Peranti seperti TV, komputer riba, sistem permainan dan produk rumah pintar bergantung pada penukar kuasa untuk membekalkan voltan dalaman yang diperlukan.Penukar terpencil sering digunakan dalam peringkat penyesuai AC-DC atau bekalan kuasa yang mesti memisahkan bahagian pengguna dari bahagian sesalur.Penukar tidak terpencil biasanya digunakan di dalam peranti untuk penukaran voltan atas kapal yang cekap.Kepentingan mereka datang daripada membolehkan kuasa padat, stabil dan dikawal dengan betul merentas banyak fungsi elektronik.
4. Elektronik Automotif
Kenderaan moden menggunakan penukar kuasa dalam sistem infotainmen, modul pencahayaan, sistem pengurusan bateri, penderia dan unit kawalan.Penukar terpencil adalah penting dalam bahagian voltan tinggi kenderaan elektrik di mana domain elektrik yang berbeza mesti kekal dipisahkan.Penukar tidak terpencil digunakan secara meluas untuk menaikkan atau menurunkan voltan dalam litar automotif voltan rendah standard.Penukar ini diperlukan kerana elektronik automotif memerlukan kuasa yang boleh dipercayai di bawah keadaan operasi yang berubah-ubah.
5. Peralatan Perubatan
Peranti perubatan seperti monitor pesakit, sistem pengimejan, alat diagnostik dan produk penjagaan kesihatan mudah alih bergantung pada penukaran kuasa yang tepat dan stabil.Penukar terpencil amat penting dalam peralatan perubatan kerana pengasingan elektrik selalunya diperlukan antara bahagian yang disambungkan dengan pesakit dan sumber kuasa.Penukar tidak terpencil masih boleh digunakan dalam bahagian voltan rendah dalaman di mana penukaran langsung sesuai.Peranan mereka adalah penting kerana sistem perubatan mesti mengekalkan kuasa yang konsisten untuk fungsi elektronik yang sensitif.
6. Sistem Tenaga Boleh Diperbaharui
Sistem tenaga suria, unit storan tenaga dan pengawal berkaitan menggunakan penukar kuasa untuk mengurus penukaran voltan antara sumber, bateri dan beban.Penukar terpencil digunakan di mana pemisahan elektrik diperlukan antara peringkat atau antara muka sistem yang berbeza.Penukar tidak terpencil sering digunakan dalam laluan peraturan DC untuk pengecasan, pemantauan atau penyaman kuasa tempatan.Penukar ini penting kerana sistem tenaga boleh diperbaharui mesti mengendalikan keadaan input yang berubah-ubah sambil mengekalkan kuasa keluaran yang boleh digunakan.
7. Peralatan Pengkomputeran dan Pemprosesan Data
Pelayan, papan terbenam, peranti storan data dan perkakasan rangkaian menggunakan rel kuasa berbilang untuk pemproses, ingatan dan litar sokongan.Penukar tidak terpencil adalah perkara biasa dalam sistem ini kerana ia mengawal voltan peringkat papan dengan cekap daripada bas DC perantaraan.Penukar terpencil juga mungkin muncul dalam bahagian bekalan kuasa utama atau antara muka komunikasi yang memerlukan pengasingan.Kepentingan mereka terletak pada menyokong operasi stabil sistem digital dengan keperluan voltan yang berbeza.
8. Aeroangkasa dan Elektronik Pertahanan
Elektronik pesawat, subsistem satelit dan perkakasan pertahanan sering menggunakan peringkat penukaran kuasa khusus untuk memadankan keperluan sistem yang ketat.Penukar terpencil sering dipilih di mana pengasingan keselamatan, kawalan hingar atau pembumian bebas diperlukan.Penukar tidak terpencil juga digunakan dalam modul voltan rendah bersepadu yang ketat di mana ruang dan berat diperlukan.Penukar ini penting kerana elektronik berfokuskan misi memerlukan kuasa yang boleh dipercayai merentas persekitaran operasi yang kompleks.
|
Aspek |
Kuasa Terpencil
Penukar |
Tidak Terpencil
Penukar Kuasa |
|
Pengasingan
penarafan voltan |
Biasanya 500 V
kepada penghalang pengasingan 5 kV |
0 V (tidak
penghalang pengasingan) |
|
Laluan elektrik |
Tenaga
dipindahkan tanpa laluan konduktif |
Berterusan
laluan konduktif dari input ke output |
|
Potensi tanah
perbezaan |
Boleh tahan besar
perbezaan tanah (>100 V) |
Terhad kepada yang sama
potensi tanah (perbezaan ≈0 V) |
|
Keselamatan
pematuhan |
Bertemu
piawaian penebat bertetulang/asas (IEC/UL) |
Tidak sesuai untuk
piawaian pengasingan keselamatan |
|
Transformer
kehadiran |
Menggunakan transformer
atau elemen gandingan terpencil |
Tiada pengubah
digunakan |
|
Bertukar
julat frekuensi |
Biasanya 20 kHz
kepada 500 kHz |
Biasanya 100
kHz hingga 2 MHz |
|
Julat kecekapan |
~70% hingga 90%
bergantung kepada topologi |
~85% hingga 98%
bergantung pada reka bentuk |
|
Ketumpatan kuasa |
Lebih rendah kerana
komponen magnetik |
Lebih tinggi kerana
reka bentuk padat |
|
Kiraan komponen |
Lebih tinggi (10–30+
komponen tipikal) |
Rendah (5–15
komponen tipikal) |
|
Saiz fizikal |
Lebih besar kerana
pengubah dan jarak |
Lebih kecil,
Penyepaduan peringkat PCB mungkin |
|
Berat badan |
Lebih berat kerana
teras magnet |
Lebih ringan dengan
magnet minimum |
|
Prestasi EMI |
Pengasingan yang lebih baik
mengurangkan bunyi yang dikendalikan |
Lebih terdedah kepada
gandingan bunyi yang dijalankan |
|
Voltan
nisbah penukaran |
Lebar dan
fleksibel (cth., 400V hingga 5V) |
Terhad
julat penukaran (cth., 12V hingga 5V) |
|
Integrasi
tahap |
Selalunya digunakan sebagai
modul kuasa berasingan |
dengan mudah
disepadukan ke dalam pengawal selia berasaskan IC |
1. Semak Sama ada Pengasingan Elektrik Diperlukan
Mulakan dengan menentukan sama ada input dan output mesti dipisahkan secara elektrik untuk keselamatan atau perlindungan sistem.Ini selalunya merupakan titik pemilihan pertama dan paling penting dalam reka bentuk penukar kuasa.Jika sistem mesti menghalang sentuhan elektrik terus antara sumber dan beban, penukar terpencil biasanya merupakan pilihan yang lebih baik.Jika tiada pemisahan sedemikian diperlukan, penukar tidak terpencil mungkin mencukupi.Langkah ini membantu menyempitkan keputusan berdasarkan keperluan sistem yang paling asas.
2. Kenal pasti Perhubungan Voltan Input dan Output
Seterusnya, lihat tahap voltan yang terdapat pada punca dan voltan yang diperlukan oleh beban.Sesetengah sistem hanya memerlukan penukaran step-down atau step-up yang mudah dalam tanah elektrik yang sama, yang selalunya sesuai dengan reka bentuk yang tidak terpencil dengan baik.Sistem lain melibatkan perbezaan voltan yang lebih luas atau domain kuasa yang dipisahkan yang mungkin memihak kepada penyelesaian terpencil.Hubungan voltan juga mempengaruhi pemilihan topologi dan susun atur sistem.Sasaran voltan yang jelas menjadikan pilihan penukar lebih praktikal dan tepat.
3. Menilai Keperluan Keselamatan dan Kawal Selia
Semak sama ada produk mesti memenuhi piawaian keselamatan yang berkaitan dengan perlindungan pengguna, penebat atau pengasingan peralatan.Dalam kebanyakan sistem terkawal, terutamanya apabila voltan berbahaya terlibat, pengasingan mungkin diperlukan oleh peraturan reka bentuk atau keperluan pensijilan.Penukar tidak terpencil biasanya lebih sesuai dalam sistem voltan rendah di mana keperluan tersebut tidak terpakai.Langkah ini amat penting dalam produk yang ditujukan untuk persekitaran awam, perindustrian atau sensitif.Pematuhan keselamatan harus sentiasa dipertimbangkan pada awal proses reka bentuk.
4. Pertimbangkan Had Ruang, Berat dan Susun Atur
Saiz fizikal boleh mempengaruhi pilihan penukar terbaik, terutamanya dalam produk elektronik padat.Penukar tidak terpencil selalunya diutamakan di mana reka bentuk mesti kekal kecil, ringan dan mudah untuk disepadukan pada PCB.Penukar terpencil mungkin memerlukan lebih banyak ruang kerana ia biasanya termasuk komponen tambahan berkaitan magnet dan penebat.Oleh itu, kawasan papan dan saiz kepungan yang ada harus dikaji semula sebelum membuat keputusan muktamad.Langkah ini memastikan penukar yang dipilih sesuai dengan reka bentuk produk secara realistik.
5. Tetapkan Sasaran Kos untuk Peringkat Kuasa
Belanjawan ialah satu lagi faktor utama apabila memilih antara penukar kuasa terpencil dan tidak terpencil.Reka bentuk tidak terpencil biasanya kosnya lebih murah kerana mereka menggunakan lebih sedikit bahagian dan struktur yang lebih ringkas.Penukar terpencil boleh meningkatkan kos bahan dan reka bentuk disebabkan penambahan komponen pengasingan dan pelaksanaan yang lebih kompleks.Pilihan yang tepat bergantung pada sama ada aplikasi mengutamakan kos rendah atau pengasingan elektrik tambahan.Langkah ini membantu mengimbangi keperluan teknikal dengan matlamat penetapan harga produk.
6. Padankan Penukar ke Aplikasi Tamat
Keputusan akhir harus mencerminkan persekitaran operasi dan tujuan sistem yang sebenar.Penukar yang digunakan dalam peralatan industri, perubatan atau voltan tinggi mungkin memerlukan pengasingan kerana keperluan reka bentuk aplikasi.Penukar yang digunakan untuk peraturan DC onboard dalam elektronik padat mungkin mendapat lebih banyak manfaat daripada pendekatan tidak terpencil.Melihat konteks aplikasi penuh membantu mengelakkan pemilihan berdasarkan hanya satu faktor.Langkah ini menghubungkan jenis penukar kepada penggunaan sistem praktikal.
7. Semak Fleksibiliti Reka Bentuk Jangka Panjang
Ia juga berguna untuk memikirkan tentang peningkatan masa depan, pengembangan sistem atau penggunaan semula reka bentuk.Penukar terpencil mungkin menawarkan lebih fleksibiliti apabila alasan yang berasingan, berbilang output atau perubahan sistem yang lebih luas dijangka kemudian.Penukar tidak terpencil mungkin merupakan pilihan yang lebih baik apabila reka bentuk ditetapkan dan dioptimumkan untuk prestasi padat.Perancangan untuk keperluan masa hadapan boleh mengurangkan kerja reka bentuk semula dan meningkatkan kebolehskalaan sistem.Langkah terakhir ini membantu memastikan penukar kekal sesuai melebihi versi pertama produk.
Perbezaan utama antara penukar terpencil dan tidak terpencil ialah sama ada input dan output dipisahkan secara elektrik.Penukar terpencil memberikan keselamatan dan perlindungan yang lebih baik, manakala penukar tidak terpencil adalah lebih mudah, lebih kecil dan lebih cekap.Setiap jenis mempunyai reka bentuk berbeza yang sesuai dengan voltan dan keperluan sistem tertentu.Memilih yang betul bergantung pada keselamatan, tahap voltan, saiz, kos, dan cara sistem akan digunakan.
Sila hantar pertanyaan, kami akan bertindak balas dengan segera.
Transformer memindahkan tenaga melalui medan magnet sambil mengekalkan input dan output secara elektrik berasingan.Mereka juga membenarkan penskalaan voltan dan menyokong pelbagai tahap output.
Ya, penukar terpencil boleh menyokong berbilang output menggunakan belitan pengubah tambahan.Ini menjadikan ia berguna dalam sistem bekalan kuasa yang kompleks.
Tidak, penukar tidak terpencil biasanya berfungsi dengan input DC.AC mesti terlebih dahulu ditukar kepada DC sebelum menggunakan topologi tidak terpencil.
Penukar tidak terpencil biasanya lebih baik kerana ia padat, cekap dan sesuai untuk sistem DC voltan rendah seperti bateri.
Ya, banyak sistem menggunakan kedua-duanya.Peringkat terpencil mengendalikan keselamatan dan penukaran utama, manakala peringkat tidak terpencil mengawal voltan secara tempatan dalam litar.
pada 2026/04/8
pada 2026/04/7
pada 8000/04/17 147713
pada 2000/04/17 111738
pada 1600/04/17 111322
pada 0400/04/17 83631
pada 1970/01/1 79282
pada 1970/01/1 66784
pada 1970/01/1 62949
pada 1970/01/1 62836
pada 1970/01/1 54036
pada 1970/01/1 52003