
EPM7128ATC100-10 ialah peranti logik boleh atur cara yang direka untuk melaksanakan fungsi kawalan digital boleh dikonfigurasikan dalam sistem elektronik terbenam.Peranti ini mengandungi 128 makrosel dan kira-kira 2500 get logik yang membolehkan pereka bentuk membuat litar logik tersuai seperti logik kawalan, pengurusan antara muka dan mesin keadaan.Strukturnya mengatur logik boleh atur cara dalam berbilang blok tatasusunan logik yang disambungkan melalui rangkaian penghalaan dalaman yang mengedarkan isyarat ke seluruh peranti.Beroperasi daripada julat bekalan 3 V hingga 3.6 V dan menyokong kelewatan perambatan sehingga 10 ns, ia membolehkan pemasaan logik yang boleh diramal.Pakej TQFP 100 pin menyokong pemasangan pelekap permukaan padat dalam reka bentuk litar terhad ruang.
Mencari EPM7128ATC100-10?Hubungi kami untuk menyemak stok semasa, masa utama dan harga.

Susun atur pakej segi empat tepat mempersembahkan peranti gaya empat segi empat dengan plumbum logam memanjang dari keempat-empat sisi badan.Nombor pin disusun secara berurutan di sekeliling perimeter, bermula dengan pin 1 di penjuru kiri sebelah atas dan berterusan di sepanjang setiap sisi mengikut urutan sehingga pin akhir muncul pada tepi yang tinggal.Penunjuk sudut menandakan titik orientasi utama yang digunakan untuk penempatan peranti yang betul pada papan litar bercetak.Kawasan tengah mengandungi tanda pengenalan peranti yang dikaitkan dengan keluarga logik boleh atur cara MAX 7000A.Jarak plumbum dan susunan simetri menyokong pemasangan pelekap permukaan dan membenarkan setiap pin luaran bersambung dengan penghalaan isyarat pada papan.

Susunan pin menunjukkan susun atur papan litar bercetak dikongsi yang menyokong berbilang saiz pakej BGA FineLine.Reka bentuk papan tengah yang asalnya disediakan untuk jejak BGA FineLine 256 pin ditunjukkan dengan grid padat lokasi bola pateri.Reka letak membolehkan peranti BGA FineLine 100 pin yang lebih kecil diletakkan dalam medan pin yang sama sambil mengekalkan sambungan penghalaan yang serasi.Kedudukan bola luar kekal tidak digunakan apabila pakej yang lebih kecil dipasang, manakala grid penuh digunakan untuk peranti yang lebih besar.Susunan ini membolehkan reka bentuk papan tunggal untuk menyokong peranti dengan kiraan output input yang berbeza atau keperluan logik tanpa mengubah susun atur PCB.
Peranti ini menggunakan struktur logik boleh atur cara berasaskan makrosel yang membolehkan litar digital dikonfigurasikan selepas pembuatan.Setiap makrosel boleh melaksanakan logik gabungan atau fungsi logik berdaftar, memberikan kefleksibelan pereka apabila membina laluan kawalan, logik penghalaan isyarat dan litar pemasaan.Seni bina ini membenarkan beberapa fungsi logik diskret untuk diintegrasikan ke dalam satu peranti sambil mengekalkan tingkah laku logik yang boleh diramal.
Sumber logik dalaman disusun ke dalam blok tatasusunan logik yang mengumpulkan makrosel dan berkongsi sumber penghalaan.Susunan ini memudahkan pengedaran isyarat dalaman dan membantu mengekalkan operasi logik yang stabil di seluruh peranti.Isyarat boleh dialihkan antara blok melalui rangkaian interkoneksi dalaman yang menyokong susunan logik digital yang kompleks.
Sehingga lapan puluh empat pin input dan output membenarkan peranti bersambung terus dengan berbilang isyarat digital dalam sistem terbenam.Pin ini boleh dikonfigurasikan untuk input, output atau operasi dwiarah bergantung pada keperluan reka bentuk.Fleksibiliti ini membolehkan peranti mengurus komunikasi antara pemproses, peranti memori dan litar logik persisian.
Peranti ini menyokong kelewatan penyebaran sehingga sepuluh nanosaat, membolehkan tingkah laku logik digital responsif.Prestasi pemasaan ini menyokong fungsi kawalan yang memerlukan penukaran isyarat yang konsisten dan penyegerakan yang boleh dipercayai dengan komponen digital lain dalam sistem.
Konfigurasi disimpan menggunakan teknologi boleh atur cara boleh padam elektrik yang membolehkan logik peranti dikemas kini apabila keperluan sistem berubah.Pereka bentuk boleh mengubah suai logik digital semasa pembangunan atau penyelenggaraan sistem tanpa menggantikan komponen perkakasan.
Operasi dalam julat bekalan tiga volt hingga tiga koma enam volt membolehkan peranti itu disepadukan dengan banyak sistem digital moden.Julat voltan ini menyokong tahap logik yang stabil sambil mengekalkan keserasian dengan piawaian antara muka digital biasa.
Peranti ini disediakan dalam pakej rata quad nipis seratus pin yang direka untuk pemasangan pemasangan permukaan.Jejak pakej padat membantu menjimatkan ruang papan dan menyokong proses pembuatan automatik yang digunakan dalam pengeluaran elektronik moden.
Menggabungkan logik boleh atur cara, penghalaan fleksibel dan sambungan input dan output boleh dikonfigurasikan membolehkan peranti melakukan pelbagai tugas kawalan digital.Ia boleh menggantikan berbilang litar logik diskret sambil mengekalkan tingkah laku isyarat yang stabil merentas reka bentuk elektronik terbenam.
| Atribut Produk | Nilai Atribut |
| Pengeluar | Altera (Intel) |
| Bekalan Voltan - Dalaman | 3V ~ 3.6V |
| Pakej Peranti Pembekal | 100-TQFP (14x14) |
| Siri | MAX® 7000A |
| Jenis Boleh Diprogram | EE PLD |
| Pakej / Kes | 100-TQFP |
| Pakej | Pukal |
| Suhu Operasi | 0°C ~ 70°C (TA) |
| Bilangan Makrosel | 128 |
| Bilangan Elemen/Blok Logik | 8 |
| Bilangan I/O | 84 |
| Bilangan Pintu | 2500 |
| Jenis Pemasangan | Lekapan Permukaan |
| Masa Kelewatan tpd(1) Maks | 10 ns |
| Nombor Produk Asas | EPM7128 |
| Status RoH | RoHS tidak patuh |
| Tahap Kepekaan Kelembapan (MSL) | 3 (168 Jam) |
| Status REACH | REACH Tidak terjejas |
| ECCN | EAR99 |
| HTSUS | 8542.39.0001 |

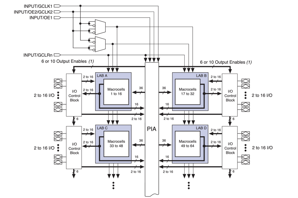
Rajah menggambarkan seni bina logik dalaman yang digunakan oleh peranti MAX 7000A CPLD seperti EPM7128ATC100-10.Struktur ini disusun di sekeliling berbilang Blok Tatasusunan Logik yang dilabelkan LAB A, LAB B, LAB C dan LAB D, setiap satu mengandungi kumpulan makrosel yang melaksanakan fungsi logik boleh atur cara.Sel makro ini menyokong logik gabungan dan operasi logik berdaftar dalam peranti.Blok Tatasusunan Logik disambungkan melalui Tatasusunan Intersambung Boleh Aturcara pusat yang mengarahkan isyarat antara bahagian logik.Setiap Blok Tatasusunan Logik bersambung ke Blok Kawalan I O yang menguruskan pin input dan output peranti.Isyarat kawalan global termasuk input jam, output membolehkan isyarat dan input jelas global masuk dari bahagian atas seni bina dan mengedarkan isyarat kawalan merentas struktur logik dalaman untuk menyelaraskan operasi peranti.

Isyarat logik memasuki makrosel daripada Tatasusunan Interconnect Boleh Aturcara melalui tiga puluh enam talian penghalaan yang disambungkan kepada tatasusunan tempatan LAB.Matriks pilih istilah produk menggabungkan isyarat ini dengan sehingga enam belas istilah produk pengembang untuk mencipta fungsi logik boleh atur cara.Pengembang logik selari membenarkan istilah tambahan daripada makrosel jiran, manakala pengembang logik kongsi mengedarkan istilah produk tambahan merentasi blok tatasusunan logik untuk meningkatkan kapasiti logik.Laluan output menyuap daftar boleh atur cara yang beroperasi dengan jam global dan talian kawalan yang jelas, membenarkan sama ada keluaran gabungan berdaftar atau langsung.Laluan pilih input pantas menerima isyarat daripada pin I O luaran, dan laluan pintasan daftar membenarkan isyarat untuk lulus tanpa storan jam.Isyarat keluaran akhir disalurkan sama ada ke blok kawalan I O untuk pin luaran atau kembali ke Tatasusunan Saling Sambung Boleh Aturcara untuk penghalaan isyarat dalaman.
Peranti logik boleh atur cara seperti ini sering digunakan untuk melaksanakan logik kawalan tersuai di dalam sistem terbenam.Ia boleh menyelaraskan perhubungan pemasaan antara pemproses, penderia dan peranti komunikasi sambil mengekalkan aliran isyarat yang stabil merentasi sistem.
Peralatan automasi selalunya memerlukan logik khusus untuk mengurus penderia, geganti dan isyarat penggerak.Peranti boleh diprogramkan untuk mengendalikan urutan kawalan, pemeriksaan keselamatan dan tugas penghalaan isyarat yang digunakan dalam mesin automatik dan sistem pemantauan.
Peralatan komunikasi menggunakan logik boleh atur cara untuk mengurus penghalaan isyarat antara pemproses dan litar antara muka.Peranti ini boleh menyokong pensuisan digital, pengendalian protokol dan penyaman isyarat yang membantu mengekalkan komunikasi yang boleh dipercayai antara komponen sistem.
Produk pengguna digital sering bergantung pada peranti logik padat untuk menyelaraskan operasi dalaman.Peranti boleh mengurus masa, pemprosesan input dan kawalan isyarat dalam produk elektronik seperti peralatan multimedia, elektronik rumah dan peranti persisian.
Sistem yang menggabungkan berbilang subsistem digital memerlukan penghalaan isyarat terkawal antara komponen.Struktur logik boleh atur cara membolehkan pereka bentuk mencipta logik penghalaan tersuai yang mengarahkan isyarat antara memori, pemproses dan antara muka luaran.
Banyak sistem elektronik bergantung pada mesin keadaan untuk mengurus urutan operasi.Peranti boleh melaksanakan struktur kawalan berasaskan keadaan ini menggunakan laluan logik boleh atur cara yang bertindak balas kepada keadaan input dan peristiwa pemasaan.
Beberapa get logik dan litar kawalan yang berasingan selalunya boleh disatukan menjadi satu peranti boleh atur cara.Pendekatan ini mengurangkan kerumitan papan sambil membenarkan tingkah laku logik diselaraskan melalui kemas kini konfigurasi apabila keperluan sistem berubah.
• Logik boleh atur cara fleksibel membolehkan pereka bentuk melaksanakan litar digital tersuai
• Kitaran pembangunan yang lebih pantas berbanding dengan peranti logik tetap
• Penyepaduan padat berbilang fungsi logik dalam satu peranti
• Operasi yang boleh dipercayai dengan kelewatan perambatan yang agak rendah untuk tugas logik kawalan
• Menyokong berbilang sambungan input dan output melalui 84 pin I/O
• Seni bina boleh diprogramkan semula membenarkan kemas kini reka bentuk semasa pembangunan
• Sesuai untuk menggantikan beberapa IC logik diskret dalam sistem terbenam
• Ketumpatan logik yang lebih rendah berbanding dengan peranti FPGA moden
• Sumber dalaman terhad berbanding keluarga logik boleh atur cara yang lebih baharu
• Julat suhu operasi terhad berbanding dengan peranti gred industri
• Versi tidak patuh RoHS mungkin mengehadkan penggunaan dalam beberapa reka bentuk pematuhan alam sekitar moden
| Nombor Bahagian | Pengeluar | Ciri-ciri Utama | Gunakan Kes/Nota |
| EPM7128ATC100-12F | Altera | CPLD keluarga MAX 7000A dengan 128 makrosel dan kira-kira 2,500 get logik yang boleh digunakan.Menggunakan teknologi logik boleh atur cara boleh padam elektrik dan pakej TQFP 100-pin dengan banyak sambungan I/O boleh atur cara. | Digunakan untuk logik kawalan digital, logik antara muka bas dan logik gam sistem di mana beberapa fungsi digital mesti dilaksanakan dalam satu peranti boleh atur cara. |
| EPM7128ATC100-6 | Altera | CPLD gred kelajuan lebih tinggi daripada seni bina MAX 7000A.Menyediakan makrosel boleh atur cara, sumber penghalaan dalaman dan pin input dan output digital yang fleksibel. | Sesuai untuk logik digital sensitif masa, pengurusan antara muka dan sistem kawalan terbenam yang memerlukan tindak balas logik yang lebih pantas. |
| EPM7128ATC144-10 | Altera | Peranti CPLD menggunakan seni bina MAX 7000A dengan memori konfigurasi tidak meruap dan pakej yang lebih besar yang menyokong lebih banyak sambungan I/O untuk penyepaduan sistem digital. | Biasa dalam papan kawalan industri, perkakasan komunikasi, dan tugas kawalan logik boleh atur cara di mana isyarat luaran tambahan mesti dikendalikan. |
Altera ialah sebuah syarikat semikonduktor yang terkenal kerana membangunkan peranti logik boleh atur cara yang digunakan dalam sistem digital dan elektronik terbenam.Syarikat itu khusus dalam tatasusunan get boleh atur cara lapangan dan peranti logik boleh atur cara yang kompleks yang membolehkan pereka bentuk melaksanakan litar digital tersuai dalam satu komponen.Keluarga produknya digunakan secara meluas dalam peralatan komunikasi, platform pengkomputeran, sistem kawalan industri dan elektronik pengguna.Pada 2015 syarikat itu menjadi sebahagian daripada Intel, di mana teknologi logik boleh atur caranya terus dibangunkan dan disepadukan ke dalam pusat data, rangkaian dan platform pengkomputeran terbenam.
EPM7128ATC100-10 ialah peranti logik boleh atur cara yang direka untuk mengendalikan tugas kawalan digital boleh dikonfigurasikan dalam sistem elektronik.Ia menggabungkan 128 sel makro dan struktur penghalaan dalaman yang membolehkan anda membina fungsi logik tersuai di dalam satu cip padat.Peranti mengatur sumber logiknya melalui blok tatasusunan logik yang bersambung melalui rangkaian penghalaan boleh atur cara.Konfigurasi pin dan pakej TQFP padat menyokong reka bentuk pelekap permukaan yang digunakan dalam papan litar moden.Anda boleh menggunakan peranti ini untuk mengurus penghalaan isyarat, penjujukan logik dan fungsi kawalan merentas banyak aplikasi digital.Fleksibiliti ini membantu memudahkan reka bentuk litar sambil memastikan tingkah laku sistem boleh diramal.
Sila hantar pertanyaan, kami akan bertindak balas dengan segera.
EPM7128ATC100-10 ialah peranti logik boleh atur cara yang kompleks yang membenarkan logik digital boleh dikonfigurasikan untuk dilaksanakan dalam satu bersepadu litar.
Peranti ini mengandungi 128 sel makro yang boleh melaksanakan fungsi gabungan boleh atur cara atau logik berdaftar.
Ia boleh didapati dalam pakej flat quad nipis 100 pin yang menyokong pemasangan pelekap permukaan pada papan litar bercetak.
Ia biasanya digunakan untuk logik kawalan digital, penghalaan isyarat, pengurusan antara muka, dan keadaan pelaksanaan mesin dalam terbenam sistem.
Peranti beroperasi dengan julat voltan bekalan dalaman kira-kira 3 volt hingga 3.6 volt.
pada 2026/03/13
pada 2026/03/10
pada 8000/04/19 147782
pada 2000/04/19 112072
pada 1600/04/19 111352
pada 0400/04/19 83829
pada 1970/01/1 79643
pada 1970/01/1 67006
pada 1970/01/1 63134
pada 1970/01/1 63067
pada 1970/01/1 54097
pada 1970/01/1 52226