
The EPF8820ARC208-4 adalah peranti FPGA Legacy dari siri Flex 8000 yang dibangunkan oleh Altera, kini di bawah Intel Programmable Solutions Group.Direka menggunakan seni bina berasaskan CMOS SRAM, ia tergolong dalam keluarga peranti logik yang boleh dikonfigurasikan yang menandakan fasa dalam pembangunan logik yang boleh diprogramkan.Siri Flex 8000 diiktiraf untuk struktur sel logik yang serba boleh dan berskala berskala, sesuai untuk integrasi digital tujuan umum.EPF8820ARC208-4 secara khusus jatuh ke dalam varian gred kelajuan pertengahan dalam siri ini, dan keupayaan saling berkaitan.Ia berkongsi seni bina dengan varian gred kelajuan lain seperti -2, -3, dan -5, berbeza terutamanya dalam prestasi masa.
Mencari EPF8820ARC208-4?Hubungi kami untuk menyemak stok semasa, masa utama, dan harga.
• Flex 8000 Architecture
EPF8820ARC208-4 dibina di atas seni bina Altera Flex 8000, yang menggunakan konfigurasi berasaskan SRAM untuk pengaturcaraan dalam sistem.Ia menyediakan penyelesaian kos efektif dan fleksibel untuk aplikasi ketumpatan logik pertengahan.
• Ketumpatan logik
Peranti ini mengintegrasikan 672 elemen logik, menyampaikan kira -kira 8,000 pintu sistem yang boleh digunakan.Ia menawarkan keseimbangan yang sesuai antara kerumitan dan prestasi untuk kawalan tertanam, logik gam, dan reka bentuk mesin negeri.
• Teras 5V dengan sokongan Multivolt ™ I/O
Beroperasi pada bekalan 5V, peranti ini juga menyokong piawaian 3.3V dan 5V I/O menggunakan teknologi Multivolt ™ I/O.Ini menjadikannya boleh disesuaikan untuk sistem voltan campuran dan interfacing warisan.
• Konfigurasi dalam litar yang boleh diprogramkan semula
EPF8820ARC208-4 adalah berasaskan SRAM dan menyokong konfigurasi litar di litar menggunakan siri luaran atau prom selari.Ia membolehkan kemas kini reka bentuk pantas dan konfigurasi semula tanpa mengeluarkan peranti dari litar.
• FastTrack Interconnect Routing
Struktur interconnect FastTracknya menyediakan kain penghalaan berkelajuan tinggi yang boleh diramal.Senibina ini menyokong penempatan logik yang cekap dan kawalan masa, membolehkan prestasi reka bentuk yang diperkemas.
• Bawa dan rantai lata untuk aritmetik
Rantai membawa dan cascade khusus meningkatkan pelaksanaan fungsi aritmetik seperti penambah dan kaunter.Ciri -ciri ini mengurangkan kelewatan logik dan memudahkan pembinaan operasi matematik kompleks.
• Pematuhan Bas PCI (Rev 2.2)
Peranti ini mematuhi semakan spesifikasi bas tempatan PCI 2.2, menjadikannya sesuai untuk digunakan dalam sistem berasaskan PCI.Ia menyokong persekitaran isyarat PCI toleransi 5V.
• Sokongan imbasan sempadan jtag
EPF8820ARC208-4 termasuk keupayaan IEEE 1149.1 (JTAG) terbina dalam.Ini memudahkan penyahpepijatan, ujian lembaga, dan pengesahan dalam sistem tanpa memerlukan litar tambahan.
• Kawalan kadar membunuh yang boleh diprogramkan
Pemacu outputnya mempunyai kawalan kadar yang dapat diprogramkan, membantu meminimumkan bunyi bertukar.Ini bermanfaat dalam reka bentuk berkelajuan tinggi untuk integriti isyarat.
• Mod siap sedia kuasa rendah
Direka untuk kecekapan kuasa, peranti menggunakan kurang daripada 0.5mA dalam mod siap sedia.Ini membolehkan sistem untuk memulihara kuasa semasa tempoh terbiar atau tidak aktif.
• Suhu operasi: 0 ° C hingga 70 ° C
Komponen ini beroperasi dengan pasti dalam julat suhu komersil 0 ° C hingga 70 ° C.Ia sesuai untuk kegunaan umum dalam persekitaran terkawal.

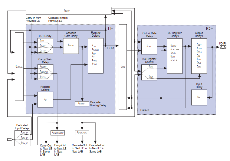
Rajah ini menggambarkan struktur dalaman dan bagaimana FPGA memproses logik dan sambungan.Di tengah adalah blok array logik (makmal), yang mengandungi pelbagai elemen logik (LES).LES ini boleh diprogramkan dan boleh dikonfigurasikan untuk melaksanakan pelbagai tugas logik, menyokong kedua -dua reka bentuk gabungan dan berurutan.Fleksibiliti ini membolehkan pelaksanaan litar digital tersuai.
Sekitar makmal adalah elemen I/O (IOE), yang mengendalikan komunikasi antara FPGA dan peranti luaran.Mereka menyokong input, output, dan isyarat dua arah sambil menampung tahap voltan yang berbeza.Menyambung semua bahagian adalah FastTrack Interconnect, sistem penghalaan berkelajuan tinggi yang menghubungkan makmal dan IOEs dengan cekap.Persediaan ini memastikan pemindahan data cepat, penghalaan isyarat lancar, dan prestasi yang boleh dipercayai merentasi pelbagai aplikasi dalam siri Flex 8000.

Rajah ini menyoroti bagaimana kelewatan mempengaruhi pemprosesan logik dan aliran isyarat dalam FPGA.Di dalam setiap elemen logik (LE), faktor masa seperti kelewatan jadual carian (LUT), kelewatan rantaian membawa, dan mendaftarkan masa persediaan/hold menentukan seberapa cepat operasi logik bertindak balas terhadap perubahan input.Kelewatan dalaman ini penting untuk mengekalkan operasi yang tepat dan stabil, terutamanya dalam litar beralih cepat.
Untuk operasi I/O, mod masa menunjukkan bagaimana isyarat berkelakuan ketika mereka masuk dan keluar dari FPGA.Mata utama termasuk kelewatan output, serta persediaan input dan masa tahan, yang menentukan berapa lama isyarat luaran perlu stabil untuk penangkapan data yang betul.Rajah ini juga menggariskan kelewatan antara LES yang disambungkan, termasuk laluan membawa dan lata, yang memberi kesan kepada aliran logik di seluruh peranti.Secara keseluruhannya, unsur -unsur masa ini memastikan prestasi yang dapat disegerakkan dan boleh dipercayai di seluruh seni bina Flex 8000.

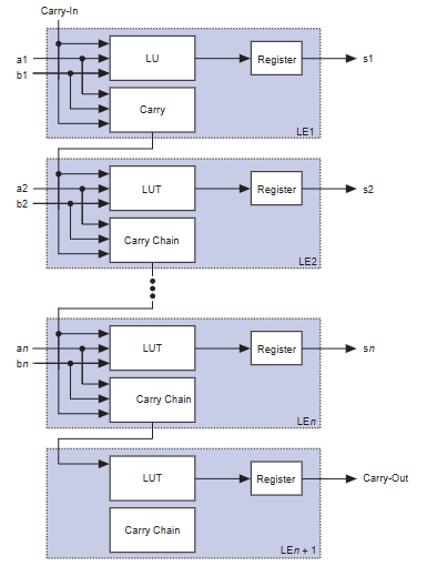
Operasi rantaian bawa di EPF8820ARC208-4 FLEX 8000 direka untuk melakukan pengiraan aritmetik yang cepat dengan menghubungkan pelbagai elemen logik (LES) bersama-sama.Setiap LE mengandungi jadual paparan (LUT), litar logik membawa, dan daftar.Proses ini bermula dengan isyarat pembawa memasuki LE (LE1) yang pertama, yang, bersama-sama dengan input A1 dan B1, menghasilkan output jumlah (S1) dan isyarat bawa.
Isyarat membawa ini kemudiannya diluluskan terus ke LE seterusnya dalam rantai (LE2, LE3, dan sebagainya), yang membolehkan setiap LE mengira output jumlahnya sendiri (S2 ke SN) menggunakan input dan bawa masuk.LE yang terakhir dalam urutan menghasilkan isyarat pembawa akhir, melengkapkan operasi.Struktur rantaian yang membawa ini membolehkan penambahan yang cepat, cekap, sesuai untuk penambah bangunan, kaunter, dan logik berasaskan aritmetik lain dalam seni bina Flex 8000.
|
Jenis |
Parameter |
|
Pengilang |
Altel/Intel |
|
Siri |
Flex 8000 |
|
Pembungkusan |
Dulang |
|
Status bahagian |
Usang |
|
Bilangan makmal/clbs |
84 |
|
Bilangan elemen/sel logik |
672 |
|
Bilangan I/O. |
152 |
|
Bilangan pintu |
8000 |
|
Voltan - bekalan |
4.75V ~ 5.25V |
|
Jenis pemasangan |
Permukaan gunung |
|
Suhu operasi |
0 ° C ~ 70 ° C (TA) |
|
Pakej / kes |
208-BFQFP Pad terdedah |
|
Pakej peranti pembekal |
208-RQFP (28x28) |
1. Pemprosesan Isyarat Digital (DSP) dan Kawalan Laluan Data
EPF8820ARC208-4 sangat sesuai untuk melaksanakan fungsi DSP tersuai kerana ketumpatan logik sederhana dan seni bina penghalaan yang cekap.Ia boleh mengendalikan manipulasi laluan data untuk operasi seperti penapisan, modulasi, dan transformasi isyarat digital berkelajuan tinggi.
2. Antara muka bas tersuai dan pemunggahan coprocessor
Dengan banyak pin I/O dan sokongan Multivolt ™, FPGA ini sering digunakan untuk merekabentuk antara muka periferal adat atau menjembatani tahap logik yang tidak serasi.Ia juga berfungsi sebagai pemproses bersama yang mengendalikan kawalan berulang atau tugas pengendalian data dari pemproses utama.
3. Pemprosesan radio dan komunikasi yang ditentukan oleh perisian
Fleksibiliti dan keupayaan peranti untuk diprogramkan menjadikannya sesuai untuk aplikasi seperti radio yang ditetapkan perisian (SDR), di mana skim modulasi atau protokol mungkin berubah.Ia boleh mengendalikan pengekodan, penyahkodan, dan pengurusan isyarat secara dinamik di seluruh lapisan komunikasi.
4. Prototaip ASIC dan Emulasi Perkakasan
EPF8820ARC208-4 biasanya digunakan semasa fasa prototaip pembangunan ASIC.Senibina yang boleh diprogramkan membolehkan pengesahan cepat, ujian, dan simulasi masa reka bentuk digital kompleks sebelum melakukan silikon.
5. Pengiktirafan suara dan enjin penyulitan
FPGA ini mampu melaksanakan logik kerumitan sederhana seperti saluran paip pengiktirafan suara dan algoritma kriptografi.Kehadiran rantai bawa dan I/OS berdaftar memastikan pengiraan pantas dan pemprosesan isyarat latensi yang diperlukan untuk aplikasi tersebut.
6. Sistem Kawalan dan Instrumentasi Perindustrian
Masa yang boleh diramal, kawalan penyegerakan yang besar, dan blok logik yang fleksibel menjadikan FPGA ini sesuai untuk sistem automasi perindustrian.Ia sering digunakan dalam masa yang boleh diprogramkan, kawalan mesin negara, dan litar penyaman isyarat.
7. Sistem tertanam aeroangkasa dan pertahanan
Peranti ini digunakan dalam elektronik aeroangkasa dan pertahanan di mana fleksibiliti konfigurasi dan operasi yang boleh dipercayai dalam persekitaran terkawal diperlukan.Ia menyokong pemuatan firmware selamat dan menawarkan kuasa siap sedia rendah, yang memberi manfaat kepada aplikasi kritikal misi.
8. Modul elektronik automotif
Dalam elektronik automotif, EPF8820ARC208-4 boleh didapati dalam modul kawalan mengendalikan terjemahan logik, diagnostik, atau pengagregatan data antara sensor dan pusat ECU.Sifat yang boleh dikonfigurasikan membolehkan kemas kini dan peningkatan walaupun selepas penggunaan.
9. Pengendalian dan pengendalian protokol telekomunikasi
Dalam sistem telekom, FPGA ini menyokong logik, pengendalian protokol, dan pengurusan masa.Ia boleh menyesuaikan diri dengan pelbagai piawaian isyarat, memastikan keserasian dan peningkatan dalam rangkaian komunikasi dinamik.
Berikut adalah jadual perbandingan EPF88820ARC208-4 dan bahagian yang paling relevan dari keluarga Flex8000 yang sama:
|
Nombor bahagian |
Gred kelajuan |
Jenis Pakej |
I/O pin |
Elemen logik |
Gred suhu |
|
EPF8820ARC208-4 |
-4 (garis dasar) |
208-pin QFP |
152 |
672 |
Komersial |
|
EPF8820ARC208-2 |
-2 (lebih perlahan) |
208-pin QFP |
152 |
672 |
Komersial (0-70 ° C) |
|
EPF8820ARC208-3 |
-3 (sederhana) |
208-pin QFP |
152 |
672 |
Komersial |
|
EPF8820ARC208-5 |
-5 (lebih cepat) |
208-pin QFP |
152 |
672 |
Komersial |
|
EPF8820AQC208-4 |
-4 |
QFP 208-pin (AQC) |
152 |
672 |
Komersial |
|
EPF8820ARI208-4H |
-4 |
208-pin QFP |
152 |
672 |
Perindustrian (-40-85 ° C) |
1. Menjana fail konfigurasi
Mulakan dengan membuat fail konfigurasi menggunakan perisian pembangunan Altera seperti Max+Plus II atau Quartus.Fail ini, biasanya sekitar saiz 16KB, mengandungi bitstream lengkap yang diperlukan untuk menentukan logik dan penghalaan EPF8820ARC208-4.
2. Pilih Skim Konfigurasi
Pilih kaedah konfigurasi yang sesuai berdasarkan keperluan sistem: sama ada siri/selari aktif (di mana pemuatan kawalan FPGA) atau siri pasif/selari (di mana pengawal luaran mengendalikan konfigurasi).Kaedah pasif adalah sesuai untuk sistem yang memerlukan reprogramming dalam bidang atau kemas kini dinamik.
3. Sediakan sambungan perkakasan
Sambungkan garisan konfigurasi yang diperlukan seperti NCONFIG, CONF_DONE, DCLK, dan DATA0 antara FPGA dan peranti memori konfigurasi yang anda pilih (mis., EPC1, EPC1213).Pastikan perintang pull-up dan sumber jam dikonfigurasi dengan betul untuk memadankan mod konfigurasi yang dipilih.
4. Inisialisasi kuasa
Apabila sistem kuasa atau nConfig ditegaskan, FPGA memasuki mod konfigurasi dan meletakkan semua I/OS dalam keadaan tri-negeri.Peranti kini bersedia untuk menerima data konfigurasi berdasarkan skim pendawaian yang anda lakukan.
5. Muatkan data konfigurasi
Dalam mod aktif, FPGA mengambil data secara langsung dari EPROM menggunakan pengayun dalamannya.Dalam mod pasif, pemproses tuan rumah atau pengawal konfigurasi menyediakan data, dan proses selesai apabila isyarat conf_done menjadi tinggi.
6. Inisialisasi dalaman dan peralihan ke mod pengguna
Sebaik sahaja bitstream dimuatkan sepenuhnya dan conf_done ditegaskan, FPGA melakukan inisialisasi dalaman, menetapkan daftar, dan membolehkan pengguna I/O.Peranti kemudian mula melaksanakan reka bentuk logik yang diprogramkan ke dalamnya.
7. Konfigurasi semula pilihan
Anda boleh mencetuskan kitaran semula konfigurasi dengan menarik NCONFIG LOW, yang menetapkan semula peranti konfigurasi peranti dan masuk semula.Ini membolehkan kemas kini yang cepat, sistem dalam sistem atau pemulihan logik, dengan keseluruhan proses pemrograman yang biasanya disiapkan di bawah 100 milisaat.
• Pilihan gred kelajuan seimbang
EPF8820ARC208-4 menawarkan keseimbangan yang ideal antara prestasi dan kos, menjadikannya lebih cepat daripada varian -2 atau -3 variasi yang lebih rendah sambil mengelakkan titik harga yang lebih tinggi daripada gred kelajuan -5.Ini membolehkan memenuhi keperluan masa tanpa membayar lebih untuk ruang kepala yang tidak digunakan.
• Kelewatan penghalaan yang boleh diramalkan untuk logik kawalan
Terima kasih kepada laluan mendatar yang halus dan laluan kelewatan yang konsisten, EPF8820ARC208-4 memberikan ramalan masa yang sangat baik.Ini berguna dalam reka bentuk berorientasikan kawalan atau mesin-mesin
• Konfigurasi semula dalam bidang yang cepat
Struktur berasaskan SRAM membolehkan konfigurasi semula dalam kurang daripada 100 milisaat, membolehkan kemas kini firmware dan logik sandaran dalam sistem langsung.Ini berharga dalam aplikasi jauh atau misi kritikal di mana downtime mesti diminimumkan.
• Kos efektif
Bagi aplikasi yang memerlukan sekitar 8,000 pintu gerbang sistem, EPF8820ARC208-4 memberikan jumlah logik yang tepat tanpa overhead FPGA moden yang lebih besar.Ini menjadikan kos BOM rendah semasa memenuhi keperluan fungsi.
• Integrasi voltan campuran yang dipermudahkan
Dengan sokongan asli untuk isyarat 3.3V dan 5V I/O, peranti memudahkan reka bentuk sistem apabila interfacing dengan TTL warisan atau komponen voltan campuran.Ini menghapuskan keperluan untuk peralihan peringkat tambahan, menjimatkan ruang papan dan kos.
• Jenis Pakej: 208-pin rqfp (pakej rata quad segi empat tepat)
• Saiz badan (D × E): 30.60 mm × 30.60 mm
• Garis Pakej (D1 × E1): Kira -kira 28.00 mm × 28.00 mm
• Lead Pitch (e): 0.50 mm
• Panjang plumbum (L): 0.60 mm biasa (julat: 0.45 mm hingga 0.75 mm)
• Lebar utama (b): 0.17 mm biasa (julat: 0.17 mm hingga 0.27 mm)
• Sudut utama: 0 ° hingga 8 °
• Jenis pemasangan: Permukaan gunung
EPF8820ARC208-4 dihasilkan oleh Altera Corporation, sebuah syarikat perintis dalam bidang peranti logik yang boleh diprogramkan (PLDS) dan array pintu masuk yang boleh diprogramkan (FPGAs).Altera pada asalnya membangunkan keluarga Flex 8000, yang mana peranti ini dimiliki, yang menawarkan seni bina yang boleh dikonfigurasikan yang disesuaikan untuk aplikasi logik pertengahan ketumpatan.Pada tahun 2015, Altera diperolehi oleh Intel Corporation, dan produk terus disokong di bawah kumpulan penyelesaian yang boleh diprogramkan Intel.Walau bagaimanapun, pada tahun 2024-2025, Intel menubuhkan semula Altel sebagai jenama mandiri, mengesahkan fokusnya terhadap pembangunan FPGA dan sokongan jangka panjang.Walaupun EPF8820ARC208-4 secara rasmi diklasifikasikan sebagai usang, warisan pembuatannya tetap terikat dengan warisan Altera untuk menyampaikan penyelesaian logik yang boleh dipercayai, fleksibel, dan luas yang diterima pakai.
EPF8820ARC208-4 adalah cip yang fleksibel dan boleh dipercayai yang menawarkan gabungan kelajuan, ciri, dan kos yang baik.Ia berfungsi dengan baik dalam banyak sistem yang berbeza kerana ia boleh diprogram semula, menyokong voltan yang berbeza, dan mengendalikan tugas matematik dan kawalan dengan cepat.Reka bentuknya membantu memastikan isyarat bergerak lancar dan tepat.Walaupun ia kini dianggap sebagai bahagian yang lebih tua atau dihentikan, ia masih berguna dalam sistem yang memerlukan prestasi yang stabil dan tidak dapat dengan mudah beralih ke cip yang lebih baru.Ini menjadikannya pilihan pintar untuk kemas kini, pembaikan, atau sokongan jangka panjang elektronik yang lebih lama.
Sila hantar pertanyaan, kami akan bertindak balas dengan segera.
Ya, ia menggunakan prom siri luaran atau selari seperti EPC1 atau EPC1213 untuk memuatkan data konfigurasi semasa inisialisasi sistem atau menetapkan semula.
Semak skema anda untuk pin yang diperlukan seperti NCONFIG, CONF_DONE, DCLK, dan DATA0.Juga, pastikan memori konfigurasi anda (seperti EPC1 atau EPC1213) sepadan dengan kaedah konfigurasi bersiri atau selari yang dipilih.
Tidak, EPF8820ARC208-4 tidak menyokong konfigurasi separa.Sebarang kemas kini atau perubahan logik memerlukan tambah nilai bitstream penuh melalui kitaran konfigurasi standard.
Ya, jika masa konfigurasi atau integriti isyarat tidak dikekalkan dengan betul, rasuah bitstream mungkin berlaku.Pastikan penjujukan kuasa yang bersih dan decoupling yang betul berhampiran garis FPGA dan konfigurasi.
Walaupun tidak mengeras keselamatan, peranti ini sesuai untuk melaksanakan logik kriptografi tersuai seperti enjin penyulitan asas atau pengendalian utama, tetapi ia tidak mempunyai ciri-ciri selamat terbina dalam yang terdapat di FPGA moden.
pada 2025/07/14
pada 2025/07/10
pada 8000/04/19 147784
pada 2000/04/19 112076
pada 1600/04/19 111352
pada 0400/04/19 83842
pada 1970/01/1 79647
pada 1970/01/1 67019
pada 1970/01/1 63138
pada 1970/01/1 63071
pada 1970/01/1 54099
pada 1970/01/1 52229